一、单位基本信息

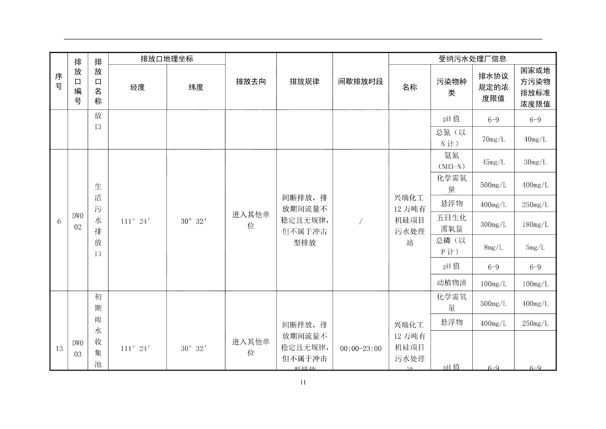
二、排污信息

















三、防治污染设施的建设和运行情况

四、环评及其它行政许可信息
| 项目名称 | 环评类别 | 审批单位 | 环评审批文号 | 验收批复文号 |
| 关于宜昌汇富硅材料有限公司气相法白炭黑生产线技改升级项目(5万吨/年白炭黑)环境影响报告书的批复 | 报告书 | 宜昌市生态环境局 | 宜市环审[2020]33号 |
注:1.因涉及商业秘密和文件太大,需求者与本单位联系。2.项目较多,仅展示近一年项目。
五、环境突发事件应急信息
| 突发环境事件应急预案 | 2020年5月7日发布皇冠hg2021手机app下载突发环境事件应急预案,因文件太大,需求者与本单位联系。 |
| 环境风险防范工作开展情况 | 公司每年至少展开四次(每季度一次)环境突发事件应急演练,以应对环境污染、生态破坏等突发状况,避免猇亭区局部或区域内环境发生污染事故,确保事故发生时能快速有效的进行现场应急处理、处置,保护厂区及周边环境、居住区人民的生命、财产安全。 |
| 突发环境事件发生及处置情况 | 无突发环境事件 |
六、其它环境信息
环境管理体系认证 GB/T 24001-2016/ISO14001:2015标准 | 本单位于2019年首次通过环境管理体系认证,符合国家标准和国际标准,可进行气相二氧化硅的研发、生产和销售及相关管理活动,每年通过复审认证。 |
| 清洁生产审核 | 2019年9月30日通过第一轮清洁生产审核。 |
| 排污税缴纳 | 本单位每年委托专业检测机构对公司进行全方位排污监测,每季度在规定时间申报污染物排放情况。 |
| 履行社会责任情况 | 本单位严格遵守环保法律法规,对各类污染物进行监测后排放,保证达标。不断更新生产线和设备,提升科研技术和抗污能力,减少污染物的排放。 |
注:本表格及以上内容版权属皇冠hg2021手机app下载所有,未经允许不得他用。

